|
|
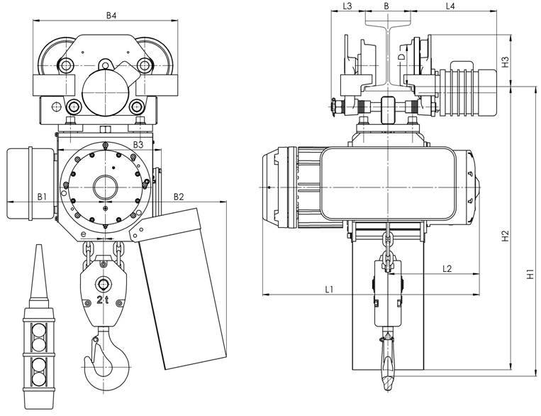
BB 094. Цепные электротали г/п 1,0 т типа ВB 094 полиспаст 1/1
|
|
Цепная электроталь на электрической тележке типа ВB грузоподъемностью 1000 кг полиспаст 1/1

|
|
|
|
|
|
|
|
|
|
|
|
|
|
|
Основные размеры |
B |
L1 |
L2 |
L3 |
L4 |
B1 |
B2 |
90÷130 |
630/670 |
270 |
140÷100 |
245 |
282 |
365 |
|
|
|
|
|
|
|
B3 |
B4 |
H1 |
H2 |
H3 |
e |
D |
300 |
415 |
815 |
780 |
148 |
50 |
120 |
|
|
|
|
|
|
|
|
|
|
|
|
|
|
При заказе цепной тали укажите выбранную модель или укажите грузоподъемность, высоту подъема груза, скорость передвижения при необходимости скорость микроподъема подъема и передвижения. |
|
|
|
|
|
|
|
Технические характеристики цепной электротали типа "ВB 094" и "ВB094М" г/п 1000 кг.
г/п |
Высота подъема основные |
поли-спаст |
Режим раб. |
Односкоростной подъем |
Двухскоростной подъем |
Грузо-вая цепь dxt |
эл. тележка |
Шири-на профи-ля |
мин. R пово-рота |
Масса тали (без цепи) |
Тип |
V подъ-ема |
эл. двига-тель |
Тип |
V подъема основной/ микро |
эл. двига-тель |
V пере-движ-ения* |
эл. двига-тель |
т |
м |
--- |
Fem |
--- |
м/мин |
kW |
--- |
м/мин |
kW |
мм |
м/мин |
kW |
мм |
м |
кг |
1,0 |
3,2; 6,4; 9,0; 12,0 |
1/1 |
1Аm |
ВB094 |
8 |
1,5 |
ВB094М |
8 / 2 |
1,5 |
0,33 |
9х27 |
20 |
0,12 |
90÷130 |
1,5 |
--- |
Дополнительные опции:
|
- микроскорость подъема
|
- ограничитель грузоподъемности;
|
- Тропическое либо морское исполнение.
|

Другие товары раздела «на электро тележке Тельферы цепные электрические Balkansko EHO модели ВЕ и ВВ»:

|
901 632
Цепная электроталь на электрической тележке типа ВЕ грузоподъемностью 250 кг полиспаст 1/1
|

|
901 635
Цепная электроталь на электрической тележке типа ВЕ грузоподъемностью 1000 кг полиспаст 2/1
|

|
901 633
Цепная электроталь на электрической тележке типа ВЕ грузоподъемностью 500 кг полиспаст 2/1
|

|
901 631
Цепная электроталь на электрической тележке типа ВЕ грузоподъемностью 250 кг полиспаст 2/1
|

|
901 637
Цепная электроталь на электрической тележке типа ВB грузоподъемностью 1000 кг полиспаст 2/1
|

|
901 630
Цепная электроталь на электрической тележке типа ВЕ грузоподъемностью 125 кг полиспаст 1/1
|

|
901 634
Цепная электроталь на электрической тележке типа ВЕ грузоподъемностью 500 кг полиспаст 1/1
|

|