|
|
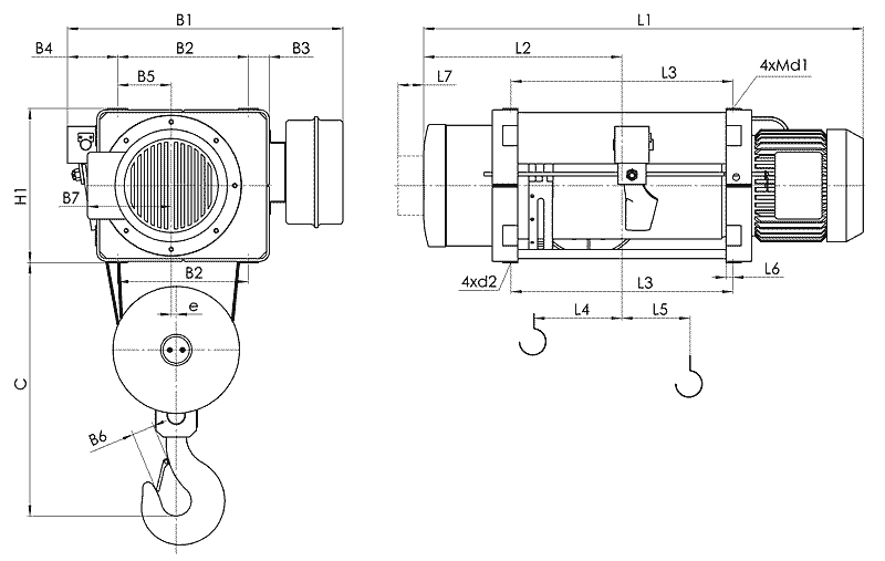
МТ 780. Тали канатные г/п 32 т стационарные серии МТ 780. Скорость подъема 2 м/мин.
|
|
г/п 32 000 кг., серия МТ 780. Стационарная электрическая канатная таль полиспаст 4/1, высота подъема от 8,5 м - 26,0 м. Скорость подъема 2 м/мин.

|
|
ДОПОЛНИТЕЛЬНЫЕ ОПЦИИ:
под ширину ездовой полки более 150мм
микроскорость на подъем
микроскорость на перемещение
крановое исполнение
режим работы FEM (3m, 4m)
радиоуправление
второй тормоз на подъем
пульт с аварийным стопом
ограничитель грузоподъемности
|
температура окр. среды до +60º ; температура окр. среды до -40 º ; тропическое исполнение ;
химически защищенное исполнение ; морское исполнение
|
Технические характеристики:
Тип |
Полиспаст 4/1 |
|
Размеры, mm |
Высота m |
Грузо-подъ-ем- ность, kg |
Скорость подъема, m/min |
L2 |
L3 |
L4 |
L5 |
L6 |
L7 |
H1 |
B1 |
B2 |
B3 |
B4 |
B5 |
B6 |
B7 |
C |
e |
Md1 |
d2 |
|
2 |
2/0.5 |
3 |
3/0.5 |
|
L1 |
MT
780
|
8.5 |
32000 |
1597 |
1603 |
732 |
713 |
117 |
36 |
25.5 |
100 |
556 |
986 |
475 |
88.5 |
186.5 |
186.5 |
90 |
266 |
1025 |
22.5 |
M27 |
25 |
11.5 |
1812 |
1818 |
840 |
928 |
224 |
-18 |
14.5 |
2027 |
2033 |
947 |
1143 |
332 |
-72 |
17.5 |
2237 |
2243 |
1052 |
1353 |
437 |
-124 |
20 |
2397 |
2403 |
1132 |
1513 |
517 |
-163 |
23.5 |
2647 |
2653 |
1257 |
1763 |
642 |
-227 |
26 |
2837 |
- |
1352 |
1953 |
737 |
-276 |
Вес
Тип |
Полиспаст 4/1 |
Скорость подъема, m/min |
Высота подъема, m |
Грузоподъемность, kg |
2 |
3 |
2/0.5 |
3/0.5 |
Вес, kg |
MT780 |
8.5 |
32 000 |
1015 |
1075 |
11.5 |
1075 |
1135 |
14.5 |
1130 |
1195 |
17.5 |
1200 |
1260 |
20 |
1255 |
1315 |
23.5 |
1325 |
1375 |
26 |
1385 |
- |

Другие товары раздела «Стационарные электрические тали тельферы серии МТ полиспаст 4/1 »:

|
201 299
г/п 16 000 кг., серия МТ 740. Стационарная электрическая канатная таль полиспаст 4/1, высота подъема от 8,5 м - 26,0 м. Скорость подъема 8 м/мин.
|

|
201 295
г/п 20 000 кг., серия МТ 750. Стационарная электрическая канатная таль полиспаст 4/1, высота подъема от 8,5 м - 26,0 м. Скорость подъема 4 м/мин.
|

|
201 297
г/п 25 000 кг., серия МТ 763. Стационарная электрическая канатная таль полиспаст 4/1, высота подъема от 8,5 м - 26,0 м. Скорость подъема 3 м/мин.
|

|
201 290
г/п 2 000 кг., серия МТ 305. Стационарная электрическая канатная таль полиспаст 4/1, высота подъема от 6,5 м - 13,5 м. Скорость подъема 4 м/мин.
|

|
201 291
г/п 4 000 кг., серия МТ 410. Стационарная электрическая канатная таль полиспаст 4/1, высота подъема от 6,0 м - 13,05 м. Скорость подъема 4 м/мин.
|

|
201 294
г/п 16 000 кг., серия МТ 740. Стационарная электрическая канатная таль полиспаст 4/1, высота подъема от 8,5 м - 26,0 м. Скорость подъема 4 м/мин.
|

|
201 292
г/п 6 300 кг., серия МТ 516. Стационарная электрическая канатная таль полиспаст 4/1, высота подъема от 6,0 м - 12,05 м. Скорость подъема 4 м/мин.
|

|
201 293
г/п 10 000 кг., серия МТ 625. Стационарная электрическая канатная таль полиспаст 4/1, высота подъема от 5,5 м - 20,0 м. Скорость подъема 4 м/мин.
|

|