|
|
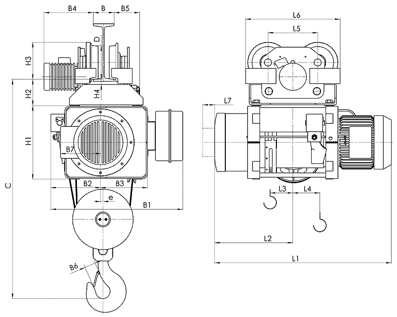
МТ 516. Таль канатная г/п 6,3 т передвижная серии МТ 516. Полиспаст 4/1
|
|
г/п 6 300 кг., серия МТ 516. Передвижная на одной тележке электрическая канатная таль полиспаст 4/1, высота подъема от 6,5 м. Скорость подъема 4 м/мин.

|
ДОПОЛНИТЕЛЬНЫЕ ОПЦИИ:
- высота подъема более 36м
- под ширину ездовой полки более 150мм
- микроскорость на подъем
- микроскорость на перемещение
- крановое исполнение
- режим работы FEM (3m, 4m)
- радиоуправление
- ограничитель грузоподъемности
- второй тормоз на подъем
- пульт с аварийным стопом
- температура окр. среды до -40 С
- температура окр. среды до +60 С
- химически защищенное исполнение
- тропическое исполнение
- морское исполнение
|
Технические характеристики:
Тип |
Полиспаст 4/1 |
Скорость подъема,
м/мин
|
Размеры, мм |
Высота м |
Грузоподъём-ность, кг |
4
|
6
|
4/1
|
6/1
|
L2 |
L3 |
L4 |
L5 |
L6 |
L7 |
H1 |
H2 |
H3 |
H4 |
B |
B1 |
B2 |
B3 |
B4 |
B5 |
B6 |
B7 |
C |
e |
D |
4 |
6 |
4/1 |
6/1 |
L1 |
вес, кг |
MT516 |
6,0 |
6 300 |
10886 |
1153 |
492 |
92 |
13 |
310 |
595 |
80 |
380 |
165 |
232 |
33 |
130÷
150
|
686
|
254 |
250
|
300÷
365
|
145÷
125
|
56 |
172
226¹
|
1270 |
7,5 |
210 |
455 |
465 |
515 |
1 - с микроподъемом

Другие товары раздела «Передвижные электрические тали на одной тележке передвижения серии MT, EN»:

|
201 303
г/п 3 200 кг., серия МТ 516. Передвижная на одной тележке электрическая канатная таль полиспаст 2/1, высота подъема от 5,5 м - 12,0 м. Скорость подъема 8 м/мин.
|

|
201 302
г/п 2 000 кг., серия МТ 410. Передвижная на одной тележке электрическая канатная таль полиспаст 2/1, высота подъема от 5,5 м - 12,0 м. Скорость подъема 8 м/мин.
|

|
201 312
г/п 2 000 кг., серия МТ 305. Передвижная на одной тележке электрическая канатная таль полиспаст 4/1, высота подъема от 6,5 м. Скорость подъема 4 м/мин.
|

|
201 301
г/п 1 000 кг., серия МТ 305. Передвижная на одной тележке электрическая канатная таль полиспаст 2/1, высота подъема от 6,0 м - 13,0 м. Скорость подъема 8 м/мин.
|

|
201 314
г/п 4 000 кг., серия МТ 410. Передвижная на одной тележке электрическая канатная таль полиспаст 4/1, высота подъема от 6,0 м. Скорость подъема 4 м/мин.
|

|
201 300
г/п 500 кг., серия МТ 202. Передвижная на одной тележке электрическая канатная таль полиспаст 2/1, высота подъема от 6,0 м - 14,0 м. Скорость подъема 8 м/мин.
|

|
201 305
г/п 5 000 кг., серия МТ 625. Передвижная на одной тележке электрическая канатная таль полиспаст 2/1, высота подъема от 4,5 м - 11,0 . Скорость подъема 8 м/мин.
|

|