|
|
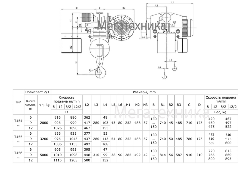
Т45. Таль канатная г/п 0,5 т - 5,0 т УСВ. Подъем 8 м/мин
|
|
г/п 500-5000 кг.,серия Т45. Передвижная электрическая канатная таль (тельфер) с уменьшенной строительной высотой, полиспаст 2/1, высота подъема от 6,0м до 12,0м. Скорость подъема 8 м/мин. Общепромышленное исполнение.

|
СТАНДАРТНЫЕ ТЕХНИЧЕСКИЕ ХАРАКТЕРИСТИКИ ЭЛЕКТРОТАЛЕЙ СЕРИИ Т45
Высота подъема, м. - 6, 9, 12;
Полиспаст - 2/1;
Скорость подъема, м/мин. - 8, 12, 16;
Скорость передвижения, м./мин. - 8, 10, 12, 15, 20, 32;
Тормоз передвижения;
Тепловая защита двигателя подъема;
Пыле-влагозащита IP 54;
Режим работы FEM 9.511 - 2m;
|
|
Полные технические характеристики передвижных канатных электроталей серии Т 45 с уменьшенной строительной высотой
|
г/п 500 кг
|
г/п 1000 кг
|
Высота подъема, м. - 6, 9, 12
Полиспаст - 2/1;
Скорость подъема, м/мин. - 8, 12, 16
Скорость передвижения, м./мин. - 20
Мощность эл/дв механизма подъема, кВт. - 0,75;
Мощность эл/дв механизма передвижения, кВт. - 0,12;
Напряжение цепей управления, В. - 42;
|
Высота подъема, м. - 6, 9, 12
Полиспаст - 2/1;
Скорость подъема, м/мин. - 8, 12, 16
Скорость передвижения, м./мин. - 20
Мощность эл/дв механизма подъема, кВт. - 1,5;
Мощность эл/дв механизма передвижения, кВт. - 0,12;
Напряжение цепей управления, В. - 42;
|
|
|
г/п 2000 кг
|
г/п 3200 кг
|
Высота подъема, м. - 6, 9, 12
Полиспаст - 2/1;
Скорость подъема, м/мин. - 8, 12, 16
Скорость передвижения, м./мин. - 20
Мощность эл/дв механизма подъема, кВт. - 3,0;
Мощность эл/дв механизма передвижения, кВт. - 0,25;
Напряжение цепей управления, В. - 42;
|
Высота подъема, м. - 6, 9, 12
Полиспаст - 2/1;
Скорость подъема, м/мин. - 8, 12,16
Скорость передвижения, м./мин. - 20
Мощность эл/дв механизма подъема, кВт. - 4,5;
Мощность эл/дв механизма передвижения, кВт. - 0,25;
Напряжение цепей управления, В. - 42;
|
|
|
г/п 5000 кг
|
|
Высота подъема, м. - 6, 9, 12
Полиспаст - 2/1;
Скорость подъема, м/мин. - 8, 12, 16
Скорость передвижения, м./мин. - 20
Мощность эл/дв механизма подъема, кВт. - 8,0;
Мощность эл/дв механизма передвижения, кВт. - 0,37;
Напряжение цепей управления, В. - 42;
|
Дополнительные опции (под заказ):
· Микроскорость на механизм подъема (8/2 м/м., 12/2 м/м.);
· Микроскорость на механизм передвижения (12/4, 15/5, 20/6, 32/10 м/мин.);
· Дополнительный тормоз на механизм подъема тали;
· Ограничитель грузоподъемности груза;
· Исполнение для работы в химических и агрессивных средах, в условиях повышенной влажности, в условиях низких температур. (-400 - +400)
· Крановое исполнение (6 кнопок).
|
|
|
Специальные исполнения (под заказ):
· Полиспастная система 1/1 и 2/2;
· Высота подъема до 72 м;
· Скорость подъема до 32 м/мин.
|
Для таблиц:
(1) с микроподъемом
(2) с ограничителем груза
(3) с микроподъемом и ограничителем груза
|

Дополнительные материалы:

Другие товары раздела «Электротали с уменьшенной строительной высотой производства Балканско Эхо серии Т45, Т78»:

|
201 260
г/п 2000 и 10000 кг.,серия Т78. Передвижная электрическая канатная таль (тельфер) с уменьшенной строительной высотой, полиспаст 4/1, высота подъема от 6,0м и 12,0м. Скорость подъема 4 м/мин. Общепромышленное исполнение.
|

|