|
|
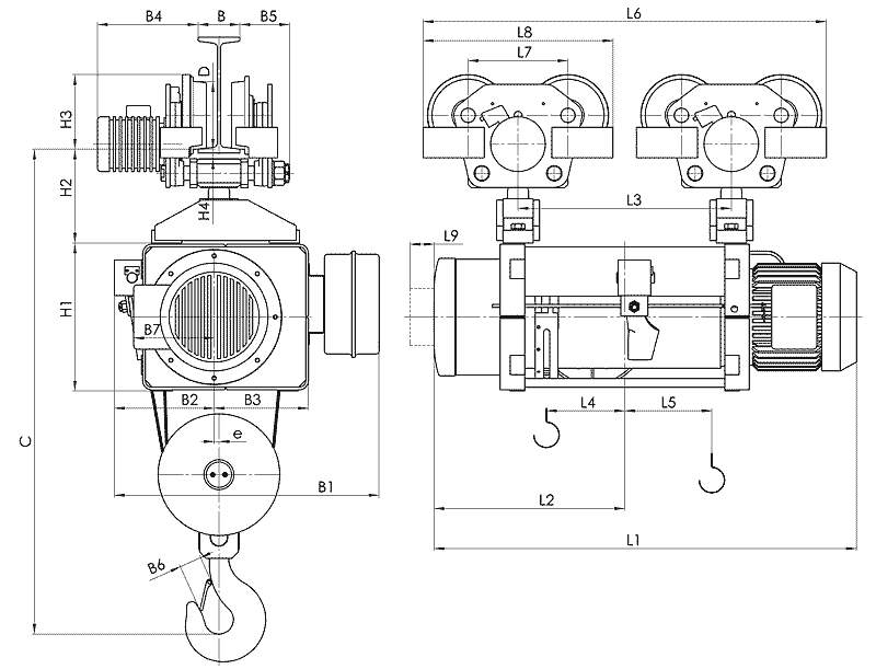
МТ 516. Тали канатные г/п 6,3 т передвижные серии МТ 516. Полиспаст 4/1
|
|
г/п 6 300 кг., серия МТ 516. Передвижная на двух тележках передвижения электрическая канатная таль полиспаст 4/1, высота подъема от 9,0 м - 12,5 м. Скорость подъема 4 м/мин.

|
ДОПОЛНИТЕЛЬНЫЕ ОПЦИИ:
- под ширину ездовой полки более 150мм
- микроскорость на подъем
- микроскорость на перемещение
- крановое исполнение
- режим работы FEM (3m, 4m)
- радиоуправление
- ограничитель грузоподъемности
- второй тормоз на подъем
- пульт с аварийным стопом
- температура окр. среды до -40 С
- температура окр. среды до +60 С
- химически защищенное исполнение
- тропическое исполнение
- морское исполнение
|
Технические характеристики:
Тип |
Полиспаст 4/1 |
Размеры, mm |
Высота m |
Грузо-подъем- ность, kg |
Скорость подъема, m/min |
L2 |
L3 |
L4 |
L5 |
L6 |
L7 |
L8 |
L9 |
H1 |
H2 |
H3 |
H4 |
B |
B1 |
B2 |
B3 |
B4 |
B5 |
B6 |
B7 |
C |
e |
D |
ВЕС, кг |
4 ; 6 |
4/1 6/1 |
4 |
6 |
4/1 |
L1 |
6/1 |
MT516 |
9 |
6300 |
1306 |
1373 |
602 |
711 |
202 |
-42 |
1247 |
280 |
536 |
80 |
380 |
235 |
200 |
37 |
130… 150 |
686 |
254 |
250 |
270… 335 |
125.. 105 |
56 |
172 226¹ |
1340 |
7.5 |
175 |
500 |
510 |
565 |
12.5 |
1526 |
1593 |
712 |
931 |
312 |
-97 |
1467 |
520 |
530 |
585 |
1 - с микроподъемом 2 - с ограничителем груза

Другие товары раздела «Передвижные электрические тали серии MT,EN 4 м/мин»:

|
201 362
г/п 12 500 кг., серия МТ 732. Передвижная на двух тележках передвижения электрическая канатная таль полиспаст 4/1, высота подъема от 8,5 м - 26,0 . Скорость подъема 4 м/мин.
|

|
201 360
г/п 10 000 кг., серия МТ 625. Передвижная на двух тележках передвижения электрическая канатная таль полиспаст 4/1, высота подъема от 5,5 м - 20,0 . Скорость подъема 4 м/мин.
|

|
201 372
г/п 2 000 кг., серия МТ 305. Передвижная на одной тележке передвижения электрическая канатная таль полиспаст 4/1, высота подъема 6,5 м. Скорость подъема 4 м/мин.
|

|
201 350
г/п 2 000 кг., серия МТ 305. Передвижная на двух тележках передвижения электрическая канатная таль полиспаст 4/1, высота подъема от 10,0 м - 13,5 м. Скорость подъема 4 м/мин.
|

|
201 365
г/п 16 000 кг., серия МТ 740. Передвижная на двух тележках передвижения электрическая канатная таль полиспаст 4/1, высота подъема от 8,5 м - 26,0 . Скорость подъема 4 м/мин.
|

|
201 374
г/п 4 000 кг., серия МТ 410. Передвижная на одной тележке передвижения электрическая канатная таль полиспаст 4/1, высота подъема 6,0 м. Скорость подъема 4 м/мин.
|

|
201 370
г/п 20 000 кг., серия МТ 750. Передвижная на двух тележках передвижения электрическая канатная таль полиспаст 4/1, высота подъема от 8,5 м - 26,0 . Скорость подъема 4 м/мин.
|

|
201 354
г/п 4 000 кг., серия МТ 410. Передвижная на двух тележках передвижения электрическая канатная таль полиспаст 4/1, высота подъема от 10,0 м - 13,0 м. Скорость подъема 4 м/мин.
|

|
201 376
г/п 6 300 кг., серия МТ 516. Передвижная на одной тележке передвижения электрическая канатная таль полиспаст 4/1, высота подъема 6,0 м. Скорость подъема 4 м/мин.
|

|