|
|
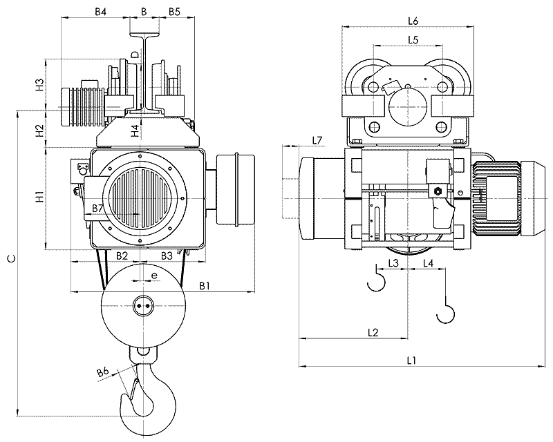
МТ 410. Таль канатная г/п 4,0 т передвижная серии МТ 410. Полиспаст 4/1
|
|
г/п 4 000 кг., серия МТ 410. Передвижная на одной тележке передвижения электрическая канатная таль полиспаст 4/1, высота подъема 6,0 м. Скорость подъема 4 м/мин.

|
ДОПОЛНИТЕЛЬНЫЕ ОПЦИИ:
- под ширину ездовой полки более 150мм
- микроскорость на подъем
- микроскорость на перемещение
- крановое исполнение
- режим работы FEM (3m, 4m)
- радиоуправление
- ограничитель грузоподъемности
- второй тормоз на подъем
- пульт с аварийным стопом
- температура окр. среды до -40 С
- температура окр. среды до +60 С
- химически защищенное исполнение
- тропическое исполнение
- морское исполнение
|
Технические характеристики:
Тип |
Полиспаст 4/1 |
Размеры, mm |
Высота m |
Грузо-подъем- ность, kg |
Скорость подъема, m/min |
L2 |
L3 |
L4 |
L5 |
L6 |
L7 |
H1 |
H2 |
H3 |
H4 |
B |
B1 |
B2 |
B3 |
B4 |
B5 |
B6 |
B7 |
C |
e |
D |
4 ; 6 |
4/1 6/1 |
L1 |
MT410 |
6 |
4000 |
1026 |
1090 |
467 |
83 |
9 |
280 |
536 |
80 |
380 |
153 |
200 |
34 |
130÷
150
|
686 |
254 |
250 |
270÷
335
|
125÷
105
|
50 |
172
220¹
|
1180 |
8 |
175 |
1 - с микроподъемом 2 - с ограничителем груза
Тип |
Полиспаст 4/1 |
Скорость подъема, m/min |
Высота подъема, m |
Грузоподъем- ность, kg |
4 |
6 |
4/1 |
6/1 |
Вес, kg |
MT410 |
6 |
4000 |
355 |
378 |

Другие товары раздела «Передвижные электрические тали серии MT,EN 4 м/мин»:

|
201 362
г/п 12 500 кг., серия МТ 732. Передвижная на двух тележках передвижения электрическая канатная таль полиспаст 4/1, высота подъема от 8,5 м - 26,0 . Скорость подъема 4 м/мин.
|

|
201 360
г/п 10 000 кг., серия МТ 625. Передвижная на двух тележках передвижения электрическая канатная таль полиспаст 4/1, высота подъема от 5,5 м - 20,0 . Скорость подъема 4 м/мин.
|

|
201 372
г/п 2 000 кг., серия МТ 305. Передвижная на одной тележке передвижения электрическая канатная таль полиспаст 4/1, высота подъема 6,5 м. Скорость подъема 4 м/мин.
|

|
201 350
г/п 2 000 кг., серия МТ 305. Передвижная на двух тележках передвижения электрическая канатная таль полиспаст 4/1, высота подъема от 10,0 м - 13,5 м. Скорость подъема 4 м/мин.
|

|
201 365
г/п 16 000 кг., серия МТ 740. Передвижная на двух тележках передвижения электрическая канатная таль полиспаст 4/1, высота подъема от 8,5 м - 26,0 . Скорость подъема 4 м/мин.
|

|
201 370
г/п 20 000 кг., серия МТ 750. Передвижная на двух тележках передвижения электрическая канатная таль полиспаст 4/1, высота подъема от 8,5 м - 26,0 . Скорость подъема 4 м/мин.
|

|
201 354
г/п 4 000 кг., серия МТ 410. Передвижная на двух тележках передвижения электрическая канатная таль полиспаст 4/1, высота подъема от 10,0 м - 13,0 м. Скорость подъема 4 м/мин.
|

|
201 356
г/п 6 300 кг., серия МТ 516. Передвижная на двух тележках передвижения электрическая канатная таль полиспаст 4/1, высота подъема от 9,0 м - 12,5 м. Скорость подъема 4 м/мин.
|

|
201 376
г/п 6 300 кг., серия МТ 516. Передвижная на одной тележке передвижения электрическая канатная таль полиспаст 4/1, высота подъема 6,0 м. Скорость подъема 4 м/мин.
|

|